电气系统中的电气联锁和机械联锁分别是什么?

发布时间:2024-09-16

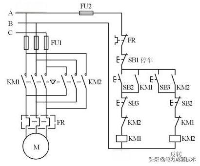
Image

在电气系统中,电气联锁和机械联锁是两种重要的安全控制手段,它们各自发挥着独特的作用,共同保障设备和人员的安全。虽然它们都被称为“联锁”,但其工作原理和应用场景却大不相同。

电气联锁是一种通过电气元件实现的控制机制。 它利用继电器、接触器等电气元件的触点来控制电路的通断,从而实现对设备运行状态的互锁控制。例如,在电机正反转控制中,正转接触器的常闭辅助触点会串联在反转控制回路中,反之亦然。这样,当电机正转时,反转控制回路就会被切断,防止了相间短路的发生。电气联锁的优点是实现简单、灵活,可以在不同位置安装互锁装置。然而,它的可靠性相对较低,因为电气元件可能会出现故障或误动作。

相比之下, 机械联锁是通过物理机械结构来实现的互锁控制。 它利用机械部件之间的相互作用来限制设备的某些操作。一个典型的例子是高压柜中的联锁机构:只有当断路器分闸后,隔离开关才能操作;只有隔离开关分闸后,接地刀闸才能合闸;只有接地刀闸分闸后,柜门才能打开。这种机械联锁确保了操作顺序的正确性,大大降低了误操作的风险。机械联锁的优点是可靠性高,即使在电源故障或电气元件失效的情况下也能发挥作用。然而,它的缺点是结构复杂,有时难以实现某些复杂的控制逻辑。

在实际应用中,电气联锁和机械联锁往往结合使用,以达到最佳的安全控制效果。 例如,在一些重要的安全控制系统中,会采用“电气-机械联动互锁”的方式,即同时使用电气和机械联锁,以提高系统的整体安全性。这种做法可以充分利用电气联锁的灵活性和机械联锁的高可靠性,实现优势互补。

值得注意的是,无论是电气联锁还是机械联锁,其设计和应用都必须符合相关的安全标准和规范。例如, ISO 14119标准对防护联锁装置进行了详细规定 ,包括联锁功能的定义、风险分析技术的参考,以及防止意外和故意造成安全失误的要求。这些标准的目的是确保联锁装置能够有效地防止意外启动、保护操作人员的安全。

总的来说,电气联锁和机械联锁在电气系统中扮演着至关重要的角色。它们通过不同的方式实现设备和操作的安全控制,共同构成了电气系统安全防护的重要屏障。在设计和使用这些联锁系统时,我们需要根据具体的应用场景和安全需求,合理选择和组合使用电气联锁和机械联锁,以达到最佳的安全效果。