没有学不会的梯形螺纹,只有不努力学习的车工

发布时间:2024-09-18

Image

梯形螺纹因其独特的几何形状和高精度要求,一直是车工们面临的一大挑战。然而,正如一位资深车工所言:“没有学不会的梯形螺纹,只有不努力学习的车工。”这句话道出了掌握梯形螺纹加工的关键——持续学习和实践。

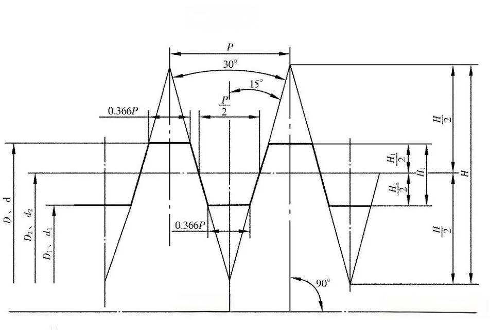
梯形螺纹与常见的三角螺纹相比,具有更大的螺距和牙型,同时要求更高的精度和更小的表面粗糙度。这些特点使得梯形螺纹的加工难度大大增加。传统的直进法和斜进法往往难以满足精度要求,容易造成刀具磨损和工件损坏。

面对这一难题,车工们开发出了一种高效的方法——分层法。这种方法巧妙地结合了直进法和左右切削法的优点,将复杂的梯形槽分解成若干层,逐层加工。每层的切削深度根据实际情况调整,通常从0.2mm开始,逐步减小到0.05mm。

分层法的优势在于它能够显著降低加工难度。通过将深槽分解成浅层,刀具只需沿左右牙型线切削,每次只需一个侧刃参与工作。这种方法不仅使排屑更加顺畅,还能有效改善刀尖的受力和受热情况,从而加工出高质量的梯形螺纹。

以加工Tr36×6的梯形螺纹为例,我们可以看到分层法的具体应用。首先,需要计算出关键尺寸:单边牙高为3.5mm,小径为29mm,牙顶宽约为2.2mm,牙槽底宽约为1.93mm。根据这些数据,可以设置刀具宽度为2mm,以适应实际加工中的磨损。

在实际操作中,车工们通常会使用两把刀具:一把粗车刀用于初步成型,另一把精车刀用于最终修整。 精车刀的刃口需要比粗车刀略大0.1mm ,以补偿磨损并留出一定的修整余量。在对刀时,还需要在磨耗栏里设置Z方向的偏移,通常为-0.15至-0.2mm,这样在精车时刀具两侧都能得到修光。

值得注意的是,分层法并非一次性完成整个梯形槽的加工。而是将槽分成若干层,每层深度根据实际情况调整。例如,在加工外梯形螺纹时,初始吃刀深度为0.2mm,当直径减小到34mm时,吃刀深度减小到0.15mm,以此类推,直到达到最终的小径尺寸。

对于内梯形螺纹,加工过程类似,但方向相反。 初始吃刀深度同样为0.2mm,随着直径的增加,吃刀深度逐步减小。这种方法不仅适用于手动操作,还可以通过宏程序实现自动化加工,大大提高了加工效率和精度。

正如一位经验丰富的车工所言:“梯形螺纹加工看似复杂,但只要掌握了分层法,就能轻松应对各种挑战。”这句话道出了梯形螺纹加工的精髓——将复杂问题分解,逐个击破。通过不断学习和实践,每一位车工都能掌握这项技能,成为一名优秀的梯形螺纹加工专家。

在这个技术日新月异的时代,车工们需要不断更新知识,掌握新的加工方法。正如那句鼓舞人心的话所说:“没有学不会的梯形螺纹,只有不努力学习的车工。”只要保持学习的热情,勇于实践,每一位车工都能成为梯形螺纹加工的高手。