I2C信号为什么需要上拉电阻

发布时间:2024-09-16

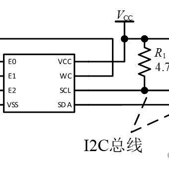
Image

I2C总线是一种广泛应用于电子设备中的通信协议,它使用两条线(SCL和SDA)在主控制器和从机之间进行数据通信。然而,为了使I2C总线正常工作,这两条线上必须接上拉电阻。这是为什么呢?

I2C总线的特殊之处在于,它的数据线(SDA)和时钟线(SCL)都是“开漏”输出。这意味着这些线可以被拉低到地电平,但不能直接被拉高到电源电压。因此,需要通过上拉电阻将这些线连接到电源,以确保在没有其他设备驱动时,它们保持在高电平状态。

上拉电阻的作用主要有两个:首先,它确保了I2C总线在空闲时处于高电平状态,这是I2C协议的要求。其次,上拉电阻提供了必要的电流,使得I2C设备能够将信号线拉低到低电平。这种设计使得I2C总线能够支持多主机模式,允许多个设备共享同一总线。

那么,如何选择合适的上拉电阻阻值呢?这涉及到两个关键因素:最小值和最大值。最小值由I2C设备的输出低电压(VOL)和输出低电流(IOL)决定。例如,如果VOL为0.4V,IOL为2.1mA,那么上拉电阻的最小值为(5-0.4)V / 2.1mA ≈ 2.2KΩ。

最大值则由总线电容(Cb)和允许的信号上升时间(tR)决定。在400KHz的快速模式下,如果总线电容为18pF,允许的上升时间为300ns,那么上拉电阻的最大值为300ns / (0.8473x18pF) ≈ 18KΩ。

因此,I2C总线的上拉电阻阻值通常选择在2.2KΩ到18KΩ之间,常见的值为4.7KΩ或10KΩ。

以一个具体的例子来说明上拉电阻的重要性。假设我们有一个I2C总线,上面挂接了多个设备。如果没有上拉电阻,当所有设备都不在发送数据时,数据线和时钟线的状态将是不确定的,这可能导致通信失败。而有了上拉电阻,即使没有设备驱动,这些线也会保持在高电平,确保总线处于空闲状态,随时准备接收新的数据。

总之,I2C总线中使用上拉电阻是确保通信正常进行的关键。它不仅满足了I2C协议的要求,还为多主机模式提供了支持。正确选择上拉电阻的阻值,可以平衡信号的上升时间和功耗,确保I2C通信的稳定性和可靠性。