三极管饱和区、放大区和截止区的理解方法图解

发布时间:2024-09-16

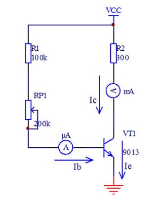
Image

三极管是电子电路中不可或缺的基础元件,它就像一个可控制的阀门,能够实现电流的放大和开关功能。要真正理解三极管的工作原理,我们需要掌握它的三种工作状态:截止区、放大区和饱和区。让我们通过一个形象的比喻来理解这三种状态。

想象一下, 三极管就像一个水龙头。 当水龙头完全关闭时,水流无法通过,这对应于三极管的截止区。 在截止区,三极管的发射结和集电结都没有正向偏置电压,因此没有电流流过。此时,三极管就像一个断开的开关,无法传递信号。

当我们将水龙头稍微打开时,水流开始通过,这对应于三极管的放大区。 在放大区,三极管的发射结正偏,集电结反偏。这意味着基极(水龙头的把手)输入一个小电流,就能控制集电极(水龙头的出水口)输出一个大电流。这种小电流控制大电流的能力,就是三极管的放大作用。正如水龙头的开度决定了水流的大小,基极电流的大小也决定了集电极电流的大小。

最后, 当我们完全打开水龙头时,水流达到最大,这对应于三极管的饱和区。 在饱和区,三极管的发射结和集电结都处于正偏状态。此时,即使基极电流继续增加,集电极电流也不会再增加。三极管失去了电流放大作用,集电极和发射极之间相当于一个导通的开关。

这三种状态的转换,可以通过输入电压或者相应的输入电流来控制。 例如,在放大状态时,随着输入电流的增大,当输出电流在负载电阻上的压降等于电源电压时,三极管就会从放大状态转变为饱和状态。

值得注意的是,三极管的这三种状态并不是孤立存在的。在实际应用中,我们常常需要通过电路设计来控制三极管的工作状态。例如,在放大器电路中,我们希望三极管工作在放大区,以实现信号的放大;而在开关电路中,我们则希望三极管能够在截止区和饱和区之间快速切换,以实现高效的开关控制。

理解三极管的这三种工作状态,不仅有助于我们更好地应用这一基础电子元件,还能为深入学习更复杂的电子电路打下坚实的基础。下次当你看到一个三极管时,不妨想象一下它是一个可控制的水龙头,相信你会对它的工作原理有更直观的认识。