特殊渐开线直齿内花键专用插齿刀的设计与计算

发布时间:2024-09-18

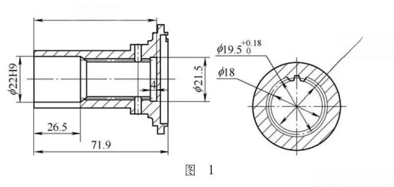
Image

渐开线花键作为一种高精度的机械连接方式,在汽车、航空航天等高端制造领域应用广泛。然而,随着工业需求的不断提升,传统加工方法已难以满足日益严格的精度要求。为此,研究人员开发出了一种新型的特殊渐开线直齿内花键专用插齿刀,为这一领域的技术突破带来了新的可能。

特殊渐开线直齿内花键加工难点

渐开线花键的加工难点主要体现在以下几个方面

  1. 齿形复杂:渐开线花键的齿形为渐开线,而非简单的直线或圆弧,这增加了刀具设计和制造的难度。

  2. 精度要求高:为了保证良好的传动性能,渐开线花键的加工精度要求非常高,通常需要达到IT6~IT7级。

  3. 热处理变形:对于需要进行热处理的零件,花键在热处理过程中容易产生变形,这会影响后续的加工精度。

  4. 多齿加工:渐开线花键通常包含多个齿,需要在一次加工中同时加工多个齿,这对刀具的稳定性和精度提出了更高要求。

新型插齿刀设计特点

针对上述难点, 新型插齿刀的设计采用了以下创新点

  1. 高精度刀具几何形状:通过精确计算和优化刀具的前角、后角等几何参数,确保刀具在加工过程中能够准确地形成所需的渐开线齿形。

  2. 微观结构设计:在刀具表面引入特殊的微观结构,如微槽或微孔,以改善切削过程中的润滑条件,减少刀具磨损,提高加工精度。

  3. 材料创新:采用新型硬质合金材料,结合先进的涂层技术,显著提高了刀具的耐磨性和抗崩刃性能。

  4. 智能化设计:利用计算机辅助设计(CAD)和有限元分析(FEA)技术,对刀具进行优化设计,确保刀具在加工过程中的稳定性和高效率。

精确计算在插齿刀设计中的应用

在新型插齿刀的设计过程中,精确计算扮演着至关重要的角色:

  1. 齿形计算:通过精确的数学模型,计算出理想的渐开线齿形,确保刀具能够准确地加工出符合要求的花键齿形。

  2. 切削力分析:利用有限元分析技术,预测切削过程中的切削力分布,优化刀具的几何形状和切削参数,以减少切削力对加工精度的影响。

  3. 热变形分析:考虑加工过程中的热效应,预测刀具和工件的热变形,通过设计补偿措施来减少热变形对加工精度的影响。

  4. 动力学分析:分析刀具在高速切削过程中的振动特性,优化刀具的结构设计,减少振动对加工精度的影响。

新技术对加工效率和产品质量的影响

新型插齿刀的应用带来了显著的技术进步:

  1. 加工效率提升:新型刀具的高精度和高稳定性使得加工速度可以显著提高,同时减少了加工过程中的废品率。

  2. 产品质量提高:精确的刀具设计和优化的加工参数使得加工出的花键具有更高的精度和更好的表面质量,满足了高端制造业对传动部件的严苛要求。

  3. 成本降低:虽然新型刀具的初始投资较高,但其更长的使用寿命和更高的加工效率最终降低了单位产品的加工成本。

  4. 应用范围扩大:新型插齿刀技术的应用使得渐开线花键可以在更多复杂的工况下使用,进一步拓展了其应用领域。

随着这项技术的不断成熟和推广,我们有理由相信,特殊渐开线直齿内花键专用插齿刀将在未来的高端制造业中发挥越来越重要的作用,推动整个行业的技术进步。