电机频繁正反转,交流接触器经常烧坏,如何解决?方案有4种

发布时间:2024-09-16

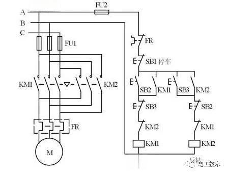
Image

电机频繁正反转导致交流接触器烧坏是一个常见的电气工程问题。其根本原因在于正转时电机未完全停止,加上启动电流过大,导致接触器触点烧坏。为了解决这一问题,工程师们提出了四种主要解决方案。

去除按钮互锁降低电机切换风险

第一个方案是去掉正反转互锁中的按钮互锁。在传统的正反转电路中,按钮互锁允许电机在正转过程中直接切换到反转,而无需先停止。这种方法虽然提高了操作效率,但对于大功率电机来说极为危险,容易损坏交流接触器。因此,建议在需要切换运行状态时,必须先按下停止按钮。这种方法简单易行,但可能会降低生产效率。

提升接触器容量应对高启动电流

第二个方案是增大交流接触器的容量。三相电机启动时的电流通常是运行电流的4-7倍。为了应对频繁正反转带来的额外电流,建议将额定电流为16A的接触器替换为40A左右的型号。这种方法可以有效降低接触器烧坏的风险,但会增加设备成本和体积。

引入时间继电器实现电机软启动

第三个方案是在交流接触器上增加时间继电器。例如,在正转过程中按下反转按钮后,等待5秒钟再启动反转。这为电机提供了5秒钟的“刹车”时间,减少了启动阻力和电流。同时,也可以在正转电路中增加时间继电器,实现5秒钟的延时启动。这种方法可以有效降低启动电流,但需要重新设计电路,增加了复杂性。

采用变频器控制电机实现平滑切换

第四个方案是使用变频器来控制电机的正反转。变频器可以实现电机的平滑启动和停止,大大降低对接触器的冲击。然而,变频器也有其额定拖动功率限制,超过这个功率就不建议使用。这种方法虽然初期投资较大,但长期来看可以降低维护成本,提高系统稳定性。

在选择解决方案时,还需要考虑其他因素。例如,电机内部故障可能导致启动电流增大,接线过程中的虚接或接触不良也可能导致电流增大烧坏接触器触点。因此,在实施任何解决方案之前,都应该进行全面的检查和诊断。

总的来说,解决电机频繁正反转导致交流接触器烧坏的问题,需要综合考虑设备特性、使用环境和成本效益。每种方案都有其适用场景和局限性,工程师需要根据具体情况权衡利弊,选择最适合的解决方案。