砌体填充墙规范

发布时间:2024-09-02

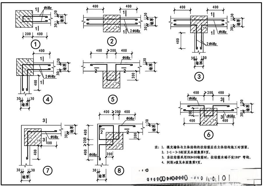
Image

砌体填充墙是现代建筑中常见的非承重墙体,主要用于分隔空间和围护。它不仅影响建筑的使用功能,还与结构安全密切相关。因此,了解砌体填充墙的规范和施工要点至关重要。

砌体填充墙的施工工艺主要包括以下步骤:

首先,施工前要做好充分准备。这包括熟悉图纸,核实门窗洞口位置及尺寸,明确预埋、预留位置等。同时,要确保砌筑部位清理干净,放出墙身中心线及边线,并提前1-2天浇水湿润砖块。

其次,砌筑过程中要严格遵守规范。通常采用一顺一丁、梅花丁砌筑法,采用“三一”砌筑法(即一铲灰、一块砖、一挤揉)。砂浆要随拌随用,水泥砂浆必须在3小时内用完,混合砂浆则要在4小时内用完。

再次,要注意一些特殊部位的处理。例如,楼层以上的三皮砖需用实心砖砌筑,不允许使用空心砖或加气砌块。填充墙砌至接近梁底、板底时,应留有一定空隙(一般180mm左右),让墙体收缩沉降15天后再采用斜砖砌法,确保墙体与梁底紧密接触。

最后,砌筑完成后还要进行勾缝处理。应采用“原浆随砌随收缝法”,先勾水平缝,后勾竖向缝,确保灰缝与砖面平整密实,避免出现丢缝、瞎缝、开裂和粘结不牢等问题。

在验收阶段,要重点关注以下几个方面:水泥的强度及安定性评定;块材、砂浆、混凝土的强度评定;钢筋的品种、规格、数量和设置部位;砌体水平灰缝和竖向灰缝的砂浆饱满度;砌体的转角处、交界处、构造柱马牙槎砌筑质量等。

总的来说,砌体填充墙施工的关键在于:严格控制砂浆配合比和质量;确保砌块湿润但不过湿;注意特殊部位的处理,如梁底、柱边等;保证灰缝饱满,避免出现通缝、瞎缝;严格按照设计要求设置拉结筋等构造措施。

遵循这些规范和要点,不仅能确保砌体填充墙的质量,还能有效提高建筑的整体安全性和耐久性。对于建筑从业者来说,掌握这些知识不仅有助于提高施工质量,还能为职业发展打下坚实基础。